Sonoma Scientific C5ST2嵌入式環行器(5.8-8.4GHz)
發布時間:2025-11-10 09:10:23 瀏覽:215
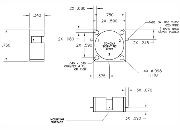
Sonoma ScientificC5ST2嵌入式環行器(5.8-8.4GHz)

電氣特性
頻率范圍:5.8 - 8.4 GHz(適用于無線通信、雷達等)
插入損耗:≤ 0.5 dB(信號損耗低)
隔離度:≥ 16 dB(端口間干擾小)
駐波比(VSWR):≤ 1.38:1(匹配良好)
功率處理:正向 50 W(平均),反向 30 W(平均)
工作溫度:-30°C 至 +85°C(寬溫適用)
旋轉方向:順時針
機械特性
尺寸:0.75" × 0.75" × 0.34"(英寸)
連接器:銅質 Tab 式
材質:鋼外殼(耐用)
表面處理:鍍鎳(防腐蝕)
適用場景:需要低損耗、高隔離度的射頻系統,如衛星通信、微波中繼等。
Sonoma Scientific是設計和制造射頻/微波鐵氧體隔離器和環行器的全球領導者,為醫療、軍事、公共安全、衛星和雷達應用領域的客戶提供服務。該公司提供從 40 MHz 到 50 GHz 的各種定制和現成解決方案。Sonoma Scientific以其高質量的微波組件而聞名,其射頻隔離器和環形器包括波導(Waveguide)、同軸(Coaxial)、混合(Hybrid)、插入式(Drop-Ins)和微帶線(Microstrip)等不同類型,深圳市立維創展科技有限公司,優勢代理銷售Sonoma產品,歡迎咨詢。
推薦資訊
Teledyne SP Devices? ADQ8-4X在兩個或四個通道上供應軟件可配置采樣系統。在雙通道模式下采樣頻率為4GSPS,在四通道模式下采樣頻率為2GSPS。鑒于能夠 改變通道數和采樣頻率,因而在開發設計過程中能夠 靈活地實際操作該功能模塊。
用于晶圓測量的Delta調諧器。Focus microwave的DELTA系列機電調諧器專為高頻晶圓測量而設計。調諧器的低輪廓允許其放置在晶圓周長內,并允許探頭尖端和調諧器之間的直接連接,消除了DUT和調諧器之間所有可能的插入損耗。這種革命性的新調諧器設計使工程師能夠實現最佳調諧范圍,調諧器的占地面積和重量大大減少。
在線留言