JAN1N5195US軍用級開關二極管Microsemi
發布時間:2025-01-22 08:47:23 瀏覽:1469

1N5195是一款符合MIL-PRF-19500/118標準的軍用級開關二極管,以下是一些關鍵特性和參數:
設備型號:1N5195
認證等級:JAN, JANTX, JANTXV
最大額定值@25°C:
工作溫度:-65°C至+175°C
存儲溫度:-65°C至+175°C
浪涌電流(正弦波,8.3毫秒):2A
總功率耗散,25°C:500mW
最大工作電流,25°C:200mA
直流反向工作電壓(VRWM):180V
設計數據:
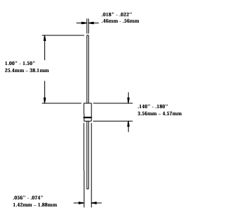
外殼:根據MIL-PRF19500/118 DO-35輪廓的密封玻璃封裝。
引線材料:銅包鋼。
引線表面處理:錫/鉛。
熱阻抗(ZθJX):最大70°C/W。
極性:帶環的陰極端。
Microsemi 是美國高可靠性電子元器件廠商,其軍級二三級管產品,被廣泛應用于全球高端市場,深圳市立維創展科技有限公司,授權代理銷售Microsemi軍級二三級產品,大量原裝現貨,歡迎咨詢。
推薦資訊
Ampleon公司為國防通信和電子對抗等場景提供硅橫向雙擴散金屬氧化物半導體(Si LDMOS)和氮化鎵碳化硅高電子遷移率晶體管(GaN-SiC HEMT)兩種晶體管技術,對比了其電壓范圍、適用頻段、典型功率等特性及優勢場景,還分別列出了Si LDMOS和GaN-SiC HEMT系列型號的參數等信息,Ampleon是射頻和功率半導體解決方案提供商,產品適用于多領域,深圳市立維創展科技有限公司可分銷其產品。
DATEL LVR-123-QL是一款大電流TO-3封裝LDO穩壓器,提供3A輸出電流,輸入7.5-15V,精準輸出5V±1%,具有過熱和過流保護,支持商業級(0-70°C)到軍用級(-55-125°C)的寬溫應用。
在線留言