882-032 90° PC板安裝插頭:Glenair高速超小型連接器
發布時間:2024-12-26 09:06:59 瀏覽:858
Glenair 882-032是一款專為惡劣環境設計的高速超小型連接器,適用于10GbE以太網應用。這款連接器以其緊湊的設計、卓越的性能和耐用性,滿足了現代高速數據傳輸的需求。與 882-002、882-005、882-008 和 882-038 配接。
核心特性
高速數據傳輸:支持10GbE。
超小型設計:最小的10Gb以太網航空級連接器。
環境適應性:具備EMI保護、防水和抗沖擊振動能力。
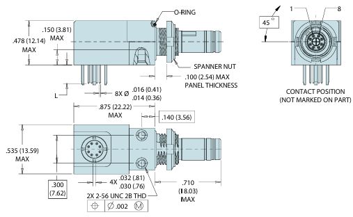
簡易安裝:支持夾緊式后面板安裝。
耐用性:設計有2000次配對周期。
防護等級:達到IP67。
技術規格
工作溫度范圍:-65°C至+175°C。
阻抗:100歐姆。
介電電壓:100 Vrms未配對。
電流額定值:1.5 A。
絕緣電阻:至少100 MΩ @ 150 Vdc。
耐用性:2000次配對周期。
訂購指南:

尺寸:

Glenair連接器是全球知名的高端品牌,廣泛應用于航天航空、軍用、艦載、精密制造等場合。深圳市立維創展科技有限公司,授權代理銷售Glenair產品,并提供技術支持。歡迎咨詢。
推薦資訊
光纖電纜是一種利用光信號高速遠距離傳輸數據的通信介質,由玻璃纖維核心、包層及保護結構組成,分為多模光纖(短距離應用)和單模光纖(長距離大容量傳輸)。其優勢包括近光速傳輸、抗電磁干擾、高帶寬及耐用性(無明確壽命限制),廣泛應用于電信、物聯網及極端環境(如航空航天)。安裝需專業測試,溫度需控制在安全范圍內。全球供應商如OFS提供多樣化光纖產品,覆蓋醫療、國防等領域。
Glenair 963-003-26和963-033-26電纜屬于El Ochito?系列,專為高性能數據傳輸設計,支持10千兆以太網,符合TIA-568B Cat 6A標準,傳輸距離可達65米。它們具有小型化、輕量化和高靈活性的特點,外徑僅0.22英寸,適用于對重量和尺寸有嚴格要求的場合,如航空航天、軍事和高端工業應用。
在線留言