X-1620NL SMT信號隔離變壓器iNRCORE
發布時間:2024-10-31 09:02:02 瀏覽:2366

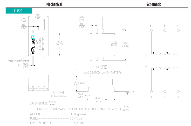
iNRCORE X-1620NL是一款專為惡劣環境設計的小尺寸信號隔離表面貼裝(SMT)變壓器,具備以下特點:
主要特點:
高隔離電壓:至少3kVrms。
寬工作溫度范圍:從-55°C至+125°C。
耐用材料:錫/鉛結構。
濕度敏感性等級:3級。
電氣規格:
匝比:1CT:1CT,初級與次級匝比精度為±2%。
初級電感:至少1mH。
直流電阻(DCR):最大0.8Ω。
漏感:最大1.2mH。
繞組間電容(Cww):最大25pF。
初級電容(Cd Pri @ 10MHz):最大10pF。
引腳配置:1-3。
物理特性:
重量:1.16g,輕巧設計,便于集成。
尺寸:10.03 × 8.89 × 6.85mm,小巧尺寸適合空間受限的應用。
這款X-1620NL變壓器在耐高溫、抗濕性以及高電壓隔離性能方面表現卓越,非常適合需要高環境適應能力的應用場景,如工業控制、汽車電子和通信設備。

相關推薦:
推薦資訊
Broadcom? PE8780 PCIe交換機具有多主機PCI Express交換功能,使用戶能夠通過可擴展、高帶寬、無阻塞的系統和通信平臺將多臺主機連接到各自的端點。PE8780能夠很好地連接到各種應用,包括服務器、存儲扇出、聚合和對等應用。
用于柵極驅動電源的DC-DC轉換器對于電機運行的安全性和穩定性至關重要,尤其是在高壓、高頻系統中。村田制作所推出了MGJ系列DC-DC轉換器,可針對不同的功率水平、耦合電容器要求和封裝規格進行定制。這些轉換器非常適合為橋式電路中IGBT和MOSFET的“高側”和“低側”柵極驅動電路供電。它們提供強大的隔離和絕緣性能,確保系統運行的穩定性和安全性。MGJ系列為開發電機驅動應用提供了理想的解決方案。
在線留言