PmTA-721-45-2.3低噪聲放大器Princeton Microwave
發布時間:2024-10-15 09:00:08 瀏覽:1699
Princeton Microwave Technology推出的PmTA-721-45-2.3低噪聲放大器是一款高性能的微波放大器,專為需要低噪聲和高增益的應用設計。該放大器的工作頻率范圍為7至21 GHz,適用于多種通信和雷達系統。

主要特點
頻率范圍:7至21 GHz,覆蓋了廣泛的微波頻段。
小信號增益:45 dB,確保信號的強勁放大。
低噪聲系數:2.3 dB中頻,有助于保持信號的清晰度和純凈度。
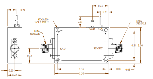
輸入輸出匹配:50歐姆,便于與標準微波系統集成。
內部電壓調節和偏置排序:提供穩定的電源管理和操作。
無條件穩定:確保在各種工作條件下都能穩定運行。
密封模塊:保護內部組件免受環境影響。
工作溫度范圍:-50oC至100oC,適應極端環境。
參數規格
頻率:7至21 GHz
小信號增益:最小45 dB
增益平坦度:±1.25 dB
噪聲系數:2.3 dB中頻
輸入回波損耗:-10 dB
輸出回波損耗:-10 dB
最小輸出:15 dB
直流工作電壓:12 V
工作直流電流:100 mA
連接器:SMA
直流連接器:焊接在濾波器上
絕對最大額定值
直流電壓:20 V
射頻輸入功率:5 dBm
工作溫度:-40℃至85℃
儲存溫度:-55℃至150℃
PmTA-721-45-2.3低噪聲放大器是Princeton Microwave Technology的又一力作,它以其卓越的性能和可靠性,滿足了現代通信和雷達系統對高性能放大器的需求。無論是在極端溫度條件下,還是在高頻率和高增益要求下,PmTA-721-45-2.3都能提供穩定和可靠的性能。
PmT公司自1993年起為軍事和電信市場提供高質量的微波器件,如振蕩器和放大器。該公司產品系列包括各種振蕩器、低噪聲放大器、功率放大器、功率分配器、耦合器、濾波器、混頻器等。立維創展代理分銷PmT公司產品,歡迎了解。
相關推薦:
相關推薦:
推薦資訊
INRCORE是一家成立于2011年的汽車電子公司,專注于提供高性能變壓器和傳感器解決方案。BMS(電池管理系統)變壓器是用于電動汽車和混合動力汽車中的電池管理系統的關鍵組件之一。
ADC-HX12BMC是DATEL公司的高性能12位模數轉換器,包括ADC-HX和ADC-HZ型號,采用混合技術確保精確可靠。ADC-HX轉換時間20微秒,ADC-HZ為8微秒。技術規格包括12位分辨率,1通道,0.05兆赫采樣率,1.1W功耗,差分非線性誤差0.75 LSB,積分非線性誤差0.5 LSB,多種輸入范圍,5V、15V和-15V電源電壓,工作溫度-55°C至+125°C。32針陶瓷TDIP封裝,適用于商業、工業和軍事溫度范圍,符合MIL-STD-883和DESC標準,確保軍事和航空航天應用的可靠性。
在線留言