DAC39RF10-SP數模轉換器(DAC)TI
發布時間:2024-08-08 09:14:24 瀏覽:1332

DAC39RF10-SP 是TI德州儀器生產的一款具有 16 位分辨率的雙通道和單通道數模轉換器 (DAC)。以下是該產品的詳細介紹:
主要特性:
分辨率:16 位
DAC 通道數:2
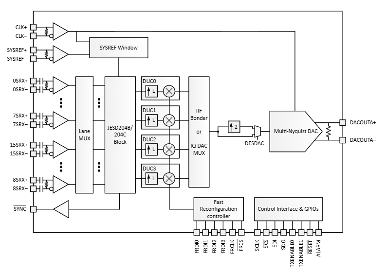
接口類型:JESD204B、JESD204C
采樣/更新速率:10400 Msps(雙通道),20800 Msps(單通道)
插值選項:提供多種插值倍數,包括 128 倍、12 倍、16 倍、192 倍、1 倍、24 倍、256 倍、2 倍、32 倍、3 倍、48 倍、4 倍、64 倍、6 倍、8 倍、96 倍
功耗:典型值為 3800 mW
無雜散動態范圍:85 dB
工作溫度范圍:25°C 到 25°C
應用場景:
直接射頻采樣:能夠在超過 10GHz 的載波頻率下生成高達 10GHz、7.5GHz 和 5GHz 的信號帶寬,支持對 C 帶進行直接采樣。
復數基帶信號生成:適用于生成復雜的基帶信號。
任意波形生成 (AWG):利用高采樣速率和 64 位 NCO 頻率分辨率實現。
直接數字合成 (DDS):支持相位相干的跳頻。
接口和同步:
串行接口:符合 JESD204B 和 JESD204C 標準,具有 16 個接收器對,速率高達 12.8Gbps。
確定性延遲和多器件同步:通過使用 SYSREF 實現。
其他特性:
超高速:適用于需要極高數據速率的應用。
建筑電流源:確保穩定可靠的電流輸出。
引用類型:支持分機和整數類型。
DAC39RF10-SP 是一款適用于高性能射頻和通信系統的高速數模轉換器,能夠滿足復雜信號生成和處理的需求。
推薦資訊
美國電源設計公司(American Power Design, Inc.)專注于高壓直流/直流轉換器的研發與制造,其產品以高性能、高可靠性和寬輸入輸出電壓范圍著稱,廣泛應用于工業設備(如高電壓驅動和自動化系統)、科研儀器(實驗室和高精度設備)、醫療設備(如成像系統)以及航空航天領域,為各類高電壓需求場景提供穩定可靠的電源解決方案。
Intel? Enpirion? EN6363QI是一款集成了電感器的6A PowerSoC降壓型DC-DC開關轉換器,專為高效率和緊湊設計的電源管理應用設計。其特點包括內置電感器、高電流處理能力、高轉換效率和緊湊的封裝,適用于移動設備、嵌入式系統和便攜式電子設備。作為替代方案,推薦使用Cyntec的MUN12AD06-SM,其開關頻率為800kHz,效率可達93%,由臺達旗下的Cyntec提供,深圳市立維創展科技代理。
在線留言