PMTA-0218-17-2低噪聲放大器Princeton Microwave
發布時間:2024-06-18 09:15:27 瀏覽:1633

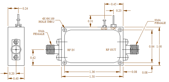
Princeton Microwave的PMTA-0218-17-2低噪聲放大器是一款專為2 GHz至18 GHz頻率范圍設計的高性能射頻放大器。它具有以下關鍵特點和規格:
- 頻率范圍: 2 GHz至18 GHz
- 小信號增益: 最小17 dB
- 增益平坦度: ±1.25 dB
- 噪聲系數: 2 dB(中頻處)
- 輸入/輸出回波損耗: -10 dB
- 最小輸出: 18 dB
- 直流工作電壓: 12 V
- 直流工作電流: 100 mA
- 連接器: SMA
- 射頻輸入功率: 5 dBm
- 工作溫度: -40℃至85℃
- 儲存溫度: -55℃至150℃
該放大器還具備內部電壓調節和偏置排序功能,確保穩定性和可靠性。作為一個密封模塊,它能在-50oC至100oC的溫度范圍內工作,適合在惡劣環境中使用。總體而言,PMTA-0218-17-2是一款適用于需要低噪聲和高增益射頻應用的設備。
PmT公司自1993年起為軍事和電信市場提供高質量的微波器件,如振蕩器和放大器。該公司產品系列包括各種振蕩器、低噪聲放大器、功率放大器、功率分配器、耦合器、濾波器、混頻器等。立維創展代理分銷PmT公司產品,歡迎了解。
相關推薦:
相關推薦:
推薦資訊
Renesas RL78/G15微控制器是一款適用于小型應用的多功能設備,具有16MHz RL78內核,支持2.4V至5.5V電壓,提供8至20引腳封裝。它包含4KB或8KB閃存,1KB SRAM和數據閃存,工作溫度范圍為-40°C至125°C。具備多種定時器和模擬功能,內置高精度振蕩器,支持多種通信接口,并提供電源重置和低電壓檢測選項。適合家電、消費電子和工業設備等應用。
Ampleon的BLP05H6350XRG是一款高性能LDMOS功率晶體管,專為HF至600 MHz頻段的廣播和工業應用設計,具有350瓦標稱輸出功率。特點包括輕松電源控制、集成ESD保護、出色堅固性、高效率(75%漏極效率)、優異熱穩定性、寬帶工作設計,并符合RoHS指令。應用領域包括工業、科學和醫療設備,以及廣播發射機。技術規格包括10600 MHz頻率范圍、350 W P1dB、脈沖射頻測試信號、26.5至27.5 dB功率增益、-10 dB輸入回波損耗和71至75%漏極效率。
在線留言