Vanguard Electronics HCL1系列大電流功率電感器
發布時間:2024-02-28 14:26:40 瀏覽:1632
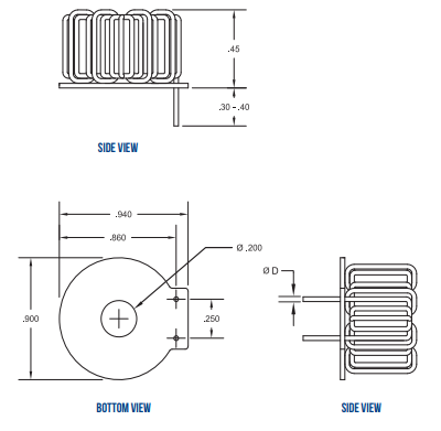
選型:
| Vanguard P/N | Inductance ±10% | nc.Inductance uH | DCR max Ohms) | Rated Current (ADC) | Lead Dimension “D” |
| HCL1-140 | 14 uH | 9.2 | 0.010 | 30 | 0.052 |
| HCL1-500 | 50 uH | 31 | 0.017 | 15 | 0.046 |
| HCL1-111 | 110 uH | 71 | 0.05 | 9.5 | 0.037 |
| HCL1-201 | 200 uH | 126 | 0.15 | 8.3 | 0.033 |
| HCL1-391 | 390 uH | 265 | 0.16 | 4.5 | 0.026 |
| HCL1-591 | 590 uH | 446 | 0.28 | 4.0 | 0.021 |
| HCL1-751 | 750 uH | 541 | 1.28 | 3.7 | 0.021 |
| HCL1-102 | 1.00 mH | 748 | 1.28 | 3.1 | 0.019 |
| HCL1-182 | 1.85 mH | 1346 | 0.83 | 2.4 | 0.017 |
| HCL1-222 | 2.20 mH | 1540 | 0.72 | 2.3 | 0.017 |
| HCL1-252 | 2.50 mH | 1873 | 1.72 | 2.0 | 0.015 |
特性:
?端子:錫鉛,無鉛(RoHS), HMP要求高溫版本
?防潮,防震,耐浸漬
?磁屏蔽
電氣規格:
?工作溫度:?55℃~ +180℃
?存儲溫度:?55℃~ +180℃
?溫升:參見性能曲線
?介電耐壓:500 VRMS
?可根據要求提供不同的電氣值
應用:
?直流電源扼流圈
?諧振電感
?輸入/輸出過濾器
?擺動電感

相關推薦:
如需了解更多關于Vanguard Electronics相關產品信息可咨詢立維創展。
推薦資訊
模數轉換器(A/D轉換器),簡稱ADC,通常情況下是一種將模擬信號轉換成數字信號的電子元器件。由于數字信號本質上沒有實際意義,它只表述一個相對性大小。為此,任何的模擬數字轉換器都需要一個參照模擬用作轉換標準規定,更普遍的參照標準規定是最大可轉換信號大小。輸出數字量表述輸入信號相對性于參照信號的大小。
Renesas RL78/G15微控制器是一款適用于小型應用的多功能設備,具有16MHz RL78內核,支持2.4V至5.5V電壓,提供8至20引腳封裝。它包含4KB或8KB閃存,1KB SRAM和數據閃存,工作溫度范圍為-40°C至125°C。具備多種定時器和模擬功能,內置高精度振蕩器,支持多種通信接口,并提供電源重置和低電壓檢測選項。適合家電、消費電子和工業設備等應用。
在線留言